Bliley BOCT4-XXMXX-XXXB晶體振蕩器是一款專為航空電子設計的高性能產品,具有多種電壓輸出選項、廣泛的頻率范圍和出色的溫度穩定性,同時具備低功耗和優異的相位噪聲性能。它支持輸出控制,適用于高精度、高穩定性和低功耗要求的航空電子系統和通信設備。
ADC-85/883是一款高性能的12位模數轉換器,采用混合技術制造,支持逐次逼近轉換,轉換時間為8微秒。它提供五個可編程輸入電壓范圍,具有高輸入阻抗(50兆歐姆),并與行業標準引腳兼容。該轉換器分辨率為12位,單通道,采樣率為0.125MHz,功耗1.1W,具有低誤差和高精度。它支持多種電源電壓,工作溫度范圍廣,適用于精確模數轉換應用。
INA199C1RSWR是一款由德州儀器(TI)生產的雙向電流感應放大器,適用于過流保護、精密電流測量和閉環反饋電路。它具有寬共模電壓范圍(-0.3V至26V),提供三種固定增益選項(50V/V、100V/V和200V/V),低偏移和零漂移架構,高精度,低靜態電流(100μA),以及廣泛的電源電壓和工作溫度范圍。該器件提供6引腳SC70和10引腳UQFN兩種封裝,適用于多種工業和消費電子應用。
DEI1184-SES是一款專為航空電子系統設計的8通道分立數字接口IC,采用HV DIMOS技術,能處理8個離散信號并轉換為串行邏輯數據。其特點包括8個可配置輸入通道,符合空客規范的輸入閾值和遲滯,低輸入電流,內部隔離二極管,高雷電瞬態抗擾度,串行I/O接口,兼容SPI,TTL/CMOS兼容輸入和三態輸出,高數據速率,以及適應不同電源要求的邏輯和模擬電源電壓。采用16L SOIC EP封裝,適合航空電子設備。
XCL211B082DR是Torex生產的超小型降壓DC/DC轉換器,尺寸3.1mm×4.7mm,高度1.3mm,輸入電壓2.7V至6.0V,輸出電壓可調,固定工作頻率,軟啟動時間1ms,限流4.0A,待機電流低至1.0μA,效率高達94%,適用于筆記本電腦、打印機等設備,具備高效率、緊湊尺寸和多重保護功能。
Broadcom博通AEIC-2631-S16線路驅動器IC是一款四通道差分線路驅動器,支持RS-422A標準,電源電壓范圍4.75V至30V,輸出電壓擺幅高達VCC-2V,具備電流限制和熱關斷保護,輸入遲滯約0.5V,傳播延遲小于200ns,適用于工業編碼器、傳感器接口、PLC等應用。
2N5114/2N5115/2N5116 P溝道JFET晶體管,封裝T0-18,最大Vgss 30V,Igs -90mA/-60mA/-25mA,RDS(on) 75Ω/100Ω/175Ω,符合軍用標準,低導通電阻,高關斷隔離,適用于±10VAC信號處理,無需驅動器,僅需+5V邏輯。注意工作時的絕對最大額定值。
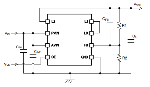
APXW012A0X3-SRDZ是一款高性能的非隔離式DC-DC轉換器,適用于工業和電信應用。它支持9Vdc至36Vdc的輸入電壓范圍,輸出電流高達12A,輸出電壓可編程為3Vdc至18Vdc。該轉換器具備多種保護功能,如遠程開/關控制、過電流和過溫保護,以及同步功能。其堅固版能在105°C環境下工作,適用于惡劣環境。此外,它符合環保標準,具有快速瞬態響應和國際安全認證,適用于工業設備、分布式電源架構和電信設備等多種應用。
MYLSM00502ERPL是一款緊湊的表面貼裝DC-DC電源轉換器,尺寸為7.9 x 7.9 x 2.3毫米,適用于空間受限的嵌入式應用。它支持4.5至17Vdc的寬輸入電壓范圍,輸出電流達2.5A,輸出電壓可編程為1至5.25Vdc。該轉換器效率高達88%,具備輸出短路保護和開/關控制功能,工作溫度范圍為-40℃至+85℃,是嵌入式系統電源管理的理想選擇。
Ampleon BLF242功率MOS晶體管是一款專為HF/VHF發射器設計的硅N溝道增強模式垂直D-MOS晶體管,具有高功率增益、低噪音、良好的熱穩定性和可靠性。它適用于25200兆赫頻率范圍,提供13-16分貝的功率增益和50-60%的漏極效率,適用于專業發射器應用。
CUI的DC-DC電源模塊VCD40-D12-T312是一款適用于商業應用的隔離模塊,提供3.3V、12V和-12V三通道輸出,最大輸出電流分別為6A、400mA和400mA,功率達到29W,效率為0.88。
PVG612SPBF固態繼電器是一款高性能的光伏繼電器,適用于12至48V交流或直流電源的高電流隔離開關,具有高負載電流容量、高脫態電阻和4000 VRMS的輸入輸出隔離,在可編程邏輯控制器、計算機、音頻設備、電力供應和配電、顯示器和指示器控制以及工業自動化等多個領域都有廣泛應用。
Vishay Siliconix的SIS626DN-T1-GE3是一款高效N溝道25V MOSFET,采用TrenchFET技術,具有低導通電阻和優異的開關性能。適用于適配器和負載開關,尤其在高側開關應用中表現出色。該器件在Vgs=10V時提供25V漏源電壓和0.0115Ω導通電阻,支持高達15.1A的連續漏極電流和32A的脈沖電流,同時具備良好的熱特性。
Connor-Winfield的DOC系列振蕩器提供高精度頻率穩定性,適用于蜂窩基站等專業應用。它們支持3.3Vdc操作,采用SMT封裝,提供±20 ppb至±100 ppb的頻率穩定性,并具備低相位噪聲和可選電子頻率調諧功能。這些振蕩器符合RoHS標準,有多種封裝尺寸和輸出頻率選擇,滿足不同應用需求。
Lattice?的LCMX02-256ZE-3SG32I是一款現場可編程門陣列(FPGA),屬于其低功耗非易失性FPGA系列。這款FPGA的封裝類型為Tray,引腳數量為32,符合環保無鉛標準,并且為主動型。
Renesas的RL78/G22微控制器是一款低功耗、高性能的MCU,適用于多種應用。它具有37.5μA/MHz的CPU工作電流和200nA的STOP模式電流,支持電容觸摸功能,提供16至48引腳封裝和32KB至64KB閃存。該MCU工作頻率高達32MHz,電壓范圍為1.6V至5.5V,具備增強的模擬和安全功能,以及SNOOZE模式以降低間歇工作功耗。它還提供了豐富的開發環境,并兼容現有RL78系列,適用于家電、消費電子和工業設備等領域。
Interpoint MFK系列DC-DC轉換器是一款高可靠性、小尺寸、高效率的產品,適用于需要25瓦功率的場合。它們具有16至50伏的寬輸入電壓范圍,提供80伏瞬態保護,并符合MIL-STD-704A標準。這些轉換器在-55°C至+125°C的溫度范圍內工作,具備欠壓鎖定、磁反饋、短路保護和軟啟動等功能。它們通過MIL-PRF-38534 H級認證,并封裝在密封的鋼盒中。
FS1412-0600-AS μPOL?電源模塊是一款小型、高效、可編程的DC-DC電壓調節器,適用于多種應用。它具有12A負載能力,輸出電壓可調至0.6-1.8V,支持PMBus?協議,且具備多種保護功能。該模塊符合環保標準,工作溫度范圍廣,適用于電信、網絡、工業等領域。
Vishay Sprague的285D系列濕式鉭電容,電壓300V,電容14 μF,符合軍標MIL-PRF-39006,工作溫度-55°C至+125°C,圓柱型封裝。具有超低阻抗和寬頻率范圍。電容精度可選20%(X0)或10%(X9)。如需更多信息,請聯系銷售工程師。
MTI-Milliren 406系列TCXO溫補晶振產品特性:符合RoHS標準,寬溫度范圍內穩定性,超小型封裝(LCC),頻率10MHz至52MHz,多種輸入電壓選擇,頻率穩定性±5ppm至±2.5ppm,頻率容差控制±1.0ppm,啟動時間4ms,可控頻率調節功能。
在線留言