Lightspeed頭戴式耳機
發布時間:2020-11-24 17:22:27 瀏覽:3301
Lightspeed是市面上最安靜、最耐用的主動降噪(ANR)耳機,經過精心設計(考慮到飛行員的需要)。Lightspeed的高品質創新技術將使客戶感到舒適、連接和安全。
所有Lightspeed型號均包括主動降噪(ANR)、全藍牙集成、高性能耳塞、30天退款保證和flightlink兼容性。

Lightspeed的舒適性和耐用性也贏得了私人飛行員的忠誠。Kevlar纖芯周圍的高性能耳塞和堅固的線纜(業界最好的七年保修之一)使Zulu 3成為Lightspeed有史以來最耐用的耳機。
Zulu 3專為那些想投資于高品質anr航空耳機的有識之士而設計,以延長使用壽命,并在舒適性細節方面獲得無與倫比的關注。
Sierra是任何使用先進anr耳機的飛行員的理想選擇,Sierra為您和您的乘客提供了更好的體驗。高品質和舒適的Sierra anr耳機價格便宜,但仍具有藍牙功能、Comparity Gamma、毛絨耳塞和帶麥克風的雙面頭帶,可提供高品質的聲音。所有Lightspeed的創新anr技術都由耐用的纖維增強聚合物結構支撐。
深圳市立維創展科技有限公司,持續提供Lightspeed Aviation預定渠道,部分型號備有現貨庫存,歡迎咨詢。
詳情了解HOLT IC請點擊:/brand/64.html
或聯系我們的銷售工程師:0755-83050846 QQ: 3312069749
上一篇: DEI無晶圓廠半導體制造商
下一篇: Hypertronics連接器CMD
推薦資訊
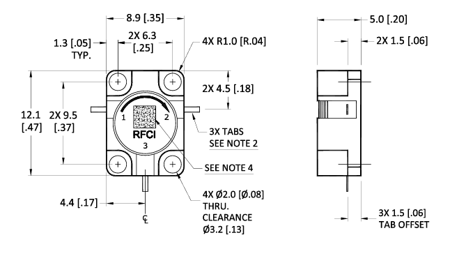
RFCR2911是RFCI公司生產的法蘭安裝嵌入式同軸環行器,工作頻率13.0-16.0 GHz,具有低插入損耗(典型<0.45 dB)和高隔離度(典型>20 dB),適用于衛星通信、雷達及基站等射頻系統。其耐功率達250W峰值/25W均值,工作溫度范圍-40至+85°C,采用緊湊設計(外徑12.1mm×高4.4mm),配備3引腳(間距2.0mm)和4個1.0mm安裝孔,滿足嚴苛環境下的高隔離信號傳輸需求。
?射頻終端是種以電氣模式線接同軸射頻端口的專用設備。Bird射頻?終端以其高質量、堅固的結構和保守的額定功率而聞名于世。Bird射頻為全球客戶提供快捷簡便的RF測試工具,廣泛應用于通信、醫療、軍用和半導體測試市場。
在線留言