PRQ3W-Q48-D55-S隔離式DC-DC轉換器CUI
發布時間:2024-07-12 09:18:42 瀏覽:1420

PRQ3W-Q48-D55-S隔離式DC-DC轉換器是CUI一款緊湊、高效的雙穩壓DC-DC轉換器,屬于PRQ3W-S系列。它具有以下特點:
- 3W輸出功率
- 4:1超寬輸入范圍
- 3kV直流電壓隔離
- 雙穩壓輸出,具有不對稱選項
- 寬工作溫度范圍:-40°C至+85°C
- 提供過流、短路和輸入欠壓保護
- 符合安全標準62368
- 緊湊尺寸:1.08 x 0.37 x 0.47英寸(或27.4 x 9.5 x 12毫米)
型號:
| MODEL | input voltage range | output yoltage | output current max | output power max | ripple and noise max | effic | iency |
| (Vdc | Voi/Mo2 (Vdc | Voi0Vo2 (A) | (W) | Vo1/Vo2 (mVp-p) | min (%) | typ (%) | |
| PRQ3W-Q48-D55-S | 18~75 | 5/5 | 300/300 | 3 | 150/150 | 76 | 78 |
| PRQ3W-Q48-D512-S | 18~75 | 5/12 | 300/125 | 3 | 150/150 | 76 | 78 |
| PRQ3W-Q48-D524-S | 18~75 | 5/24 | 300/63 | 3 | 150/150 | 76 | 78 |
該轉換器適用于醫療設備、混合模塊系統、數據通信、電信、分布式電源系統和遠程控制系統等對電源穩定性要求高的敏感應用。
CUI是美國BEL旗下公司,主要提供AC-DC和DC-DC電源模塊產品。深圳立維創展科技有限公司代理銷售CUI品牌產品,歡迎咨詢。
推薦資訊
VINCOTECH 10-PG123BA080SH11-LN68L33T 是德國 Vincotech(威科電子,三菱電機子公司)生產的 flowBOOST 1 triple 系列功率模塊,專為高效率升壓(Boost)應用設計。典型應用涵蓋太陽能光伏逆變器的升壓級、大功率UPS、工業電源以及電池管理系統等可再生能源和電源轉換領域。
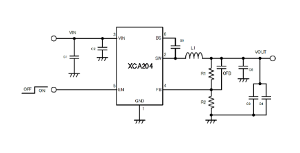
XCA204A0K1MR是TOREX公司的一款高性能同步降壓DC/DC電源模塊,適用于4.5V至18.0V的寬輸入電壓范圍,通過內置N溝道MOSFET和PWM/PFM自動切換控制實現高效率轉換,輸出電壓可調,具備軟啟動和多種保護功能,廣泛應用于機頂盒、便攜式電視等設備,提供穩定可靠的電源管理解決方案。
在線留言