PmTA-721-45-2.3低噪聲放大器Princeton Microwave
發布時間:2024-10-15 09:00:08 瀏覽:2821
Princeton Microwave Technology推出的PmTA-721-45-2.3低噪聲放大器是一款高性能的微波放大器,專為需要低噪聲和高增益的應用設計。該放大器的工作頻率范圍為7至21 GHz,適用于多種通信和雷達系統。

主要特點
頻率范圍:7至21 GHz,覆蓋了廣泛的微波頻段。
小信號增益:45 dB,確保信號的強勁放大。
低噪聲系數:2.3 dB中頻,有助于保持信號的清晰度和純凈度。
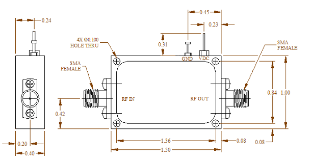
輸入輸出匹配:50歐姆,便于與標準微波系統集成。
內部電壓調節和偏置排序:提供穩定的電源管理和操作。
無條件穩定:確保在各種工作條件下都能穩定運行。
密封模塊:保護內部組件免受環境影響。
工作溫度范圍:-50oC至100oC,適應極端環境。
參數規格
頻率:7至21 GHz
小信號增益:最小45 dB
增益平坦度:±1.25 dB
噪聲系數:2.3 dB中頻
輸入回波損耗:-10 dB
輸出回波損耗:-10 dB
最小輸出:15 dB
直流工作電壓:12 V
工作直流電流:100 mA
連接器:SMA
直流連接器:焊接在濾波器上
絕對最大額定值
直流電壓:20 V
射頻輸入功率:5 dBm
工作溫度:-40℃至85℃
儲存溫度:-55℃至150℃
PmTA-721-45-2.3低噪聲放大器是Princeton Microwave Technology的又一力作,它以其卓越的性能和可靠性,滿足了現代通信和雷達系統對高性能放大器的需求。無論是在極端溫度條件下,還是在高頻率和高增益要求下,PmTA-721-45-2.3都能提供穩定和可靠的性能。
PmT公司自1993年起為軍事和電信市場提供高質量的微波器件,如振蕩器和放大器。該公司產品系列包括各種振蕩器、低噪聲放大器、功率放大器、功率分配器、耦合器、濾波器、混頻器等。立維創展代理分銷PmT公司產品,歡迎了解。
相關推薦:
相關推薦:
推薦資訊
2N4856/2N4857/2N4858為低電阻、快速切換、高關斷隔離的N溝道JFET晶體管,符合MIL-PRF-19500/385標準。具有輻射耐受性,是Vishay和Siliconix的二次來源,特點包括低導通電阻、快速切換、高關斷隔離等。產品符合JAN/JANTX/JANTXV標準,提供S級等效篩選選項。
Solitron Devices 推出的SD11710,是業界首款軍用級700V碳化硅 (SiC) N溝道功率MOSFET器件。
在線留言