JAN1N5195US軍用級開關二極管Microsemi
發布時間:2025-01-22 08:47:23 瀏覽:1796

1N5195是一款符合MIL-PRF-19500/118標準的軍用級開關二極管,以下是一些關鍵特性和參數:
設備型號:1N5195
認證等級:JAN, JANTX, JANTXV
最大額定值@25°C:
工作溫度:-65°C至+175°C
存儲溫度:-65°C至+175°C
浪涌電流(正弦波,8.3毫秒):2A
總功率耗散,25°C:500mW
最大工作電流,25°C:200mA
直流反向工作電壓(VRWM):180V
設計數據:
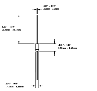
外殼:根據MIL-PRF19500/118 DO-35輪廓的密封玻璃封裝。
引線材料:銅包鋼。
引線表面處理:錫/鉛。
熱阻抗(ZθJX):最大70°C/W。
極性:帶環的陰極端。
Microsemi 是美國高可靠性電子元器件廠商,其軍級二三級管產品,被廣泛應用于全球高端市場,深圳市立維創展科技有限公司,授權代理銷售Microsemi軍級二三級產品,大量原裝現貨,歡迎咨詢。
推薦資訊
88E1512-A0-NNP2I000兼容四串行千兆媒介單獨端口(QSGMII),適用于相互連接到MAC/交換機端口。QSGMII將四個啟動速度為1.25Gbps的SGMII端口組合到一對啟動速度為5Gbps的差分信號上。與SGMII相比較,QSGMII主要降低了MAC端口上的I/O管腳數量,并減少了整體功能損耗。
xPico 是 Lantronix 推出的超小型嵌入式設備服務器模塊,核心功能是為串口設備快速添加以太網網絡連接。該模塊尺寸僅24mm × 16.5mm × 5.64mm,集成了完整的TCP/IP協議棧、Web服務器及管理功能,開發者無需復雜編程即可實現設備聯網與遠程管理。它廣泛應用于醫療設備、工業控制、安防系統等需串口轉以太網的場景。
在線留言