QMC-CRYOATTARY-03 3dB熱化低噪聲低溫衰減器陣列Quantum Microwave
發布時間:2025-07-10 09:10:29 瀏覽:1480
QMC-CRYOATTARY-03 是一款低溫環境(300K)下使用的3 dB衰減器陣列。它專為高頻信號處理而設計,適用于需要在低溫環境下對高頻信號進行精確衰減的場景,例如量子計算、低溫物理實驗、微波通信等領域。

主要特性
集成通道:包含8個集成的直通線路。
衰減值:每個通道的衰減值為3 dB。
工作頻率范圍:從直流(DC)到12 GHz,能夠覆蓋廣泛的頻率范圍。
溫度穩定性:在低溫環境下,損耗變化極小,確保信號傳輸的穩定性。
材料與工藝:采用無氧銅(OFHC)塊加工而成,并鍍金處理,以提高耐用性和性能。
連接器類型:配備SMP/GPO連接器,方便與其他設備連接。
Quantum Microwave 是 Low Noise Factory 的經銷商,行業最低噪音的低溫 LNA。Quantum Microwave 是一家專注于低溫微波和毫米波元件的高科技公司,總部位于美國。其核心產品包括低溫衰減器、低噪聲放大器、毫米波組件等,廣泛應用于量子計算、通信、傳感和天文學領域。深圳市立維創展科技有限公司專業代理Quantum Microwave產品,擁有價格優勢,歡迎咨詢。
推薦資訊
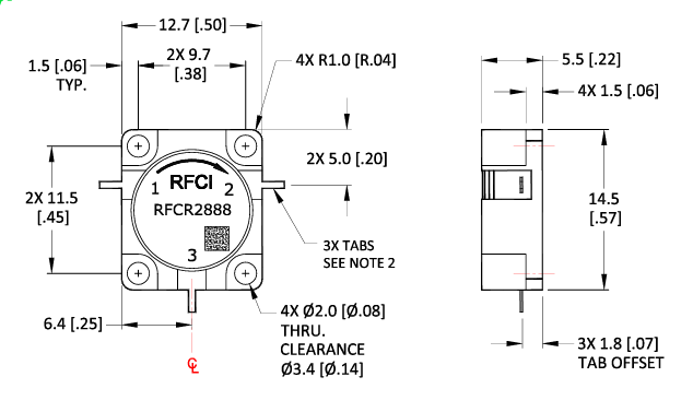
RFCR2888是一款高性能的嵌入式X波段同軸環形器,具備8000至10500 MHz的寬頻率范圍、低插入損耗(小于0.35 dB)、高隔離度(大于22 dB)以及良好的回波損耗(大于22 dB),設計緊湊且能夠承受高達500瓦的正向功率和35瓦的反向功率,適用于雷達、通信和電子對抗等高頻應用場景。
Norsat 9000H4-EC是一款高性能Ka波段四頻低噪聲模塊,專為衛星通信設計,覆蓋17.20 GHz至21.20 GHz輸入頻段(分四段),輸出頻段為950 MHz至1.95 GHz(L波段),支持高通量衛星(HTS)及寬帶應用。核心參數包括低噪聲系數(1.5–2 dB)、高增益(55–65 dB)、LO穩定性(±10 kHz)、10 dBm輸出功率,兼容12–24 V直流供電,重量輕(560g),工作溫度范圍廣(-40°C至60°C),提供F型/N型連接器,適用于嚴苛環境。
在線留言