Renaissance 12A4BG-40N雙定向耦合器
發布時間:2025-07-25 08:56:22 瀏覽:2072
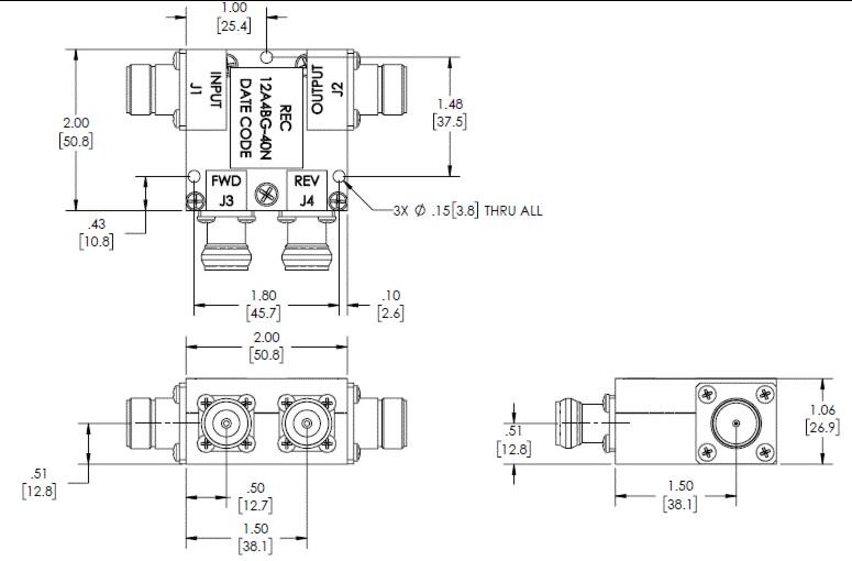
Renaissance 12A4BG-40N是一款雙定向耦合器,由 Renaissance Electronics公司生產。其工作頻率范圍為700MHz至4.2GHz,尺寸為2×2×1.06英寸,適用于測試和測量應用。


Renaissance Electronics & Communications, LLC 是一家專注于高可靠性無源和有源組件以及子系統的設計和制造公司,其產品廣泛應用于軍事和商業領域。HXI公司(已被Renaissance收購)是一家專注于射頻和微波技術的公司,主要為國防、太空和航空市場提供廣泛的產品線,包括低噪聲放大器、功率放大器、頻率倍增器、混頻器/上變頻器、波導隔離器和環行器以及PIN開關等,頻率覆蓋從18 GHz至110 GHz。深圳市立維創展科技有限公司優勢供銷Renaissance/HXI產品,歡迎咨詢了解。
推薦資訊
Bird?-射頻專家超穩定油介質射頻終端負載是為了實現最大的工藝重復性和一致性。現代等離子體應用需要精確的射頻功率調節和控制。射頻發生器的校準、調整和監測是確保向腔室提供準確和可重復的射頻功率的關鍵因素。
Teledyne SP Devices? Thomson 散射是核聚變裝置(如托卡馬克和星模擬器)等離子體診斷的一項重要技術,用于測量等離子體中多個位置的電子溫度和密度。
在線留言