Sonoma Scientific C5ST2嵌入式環行器(5.8-8.4GHz)
發布時間:2025-11-10 09:10:23 瀏覽:257
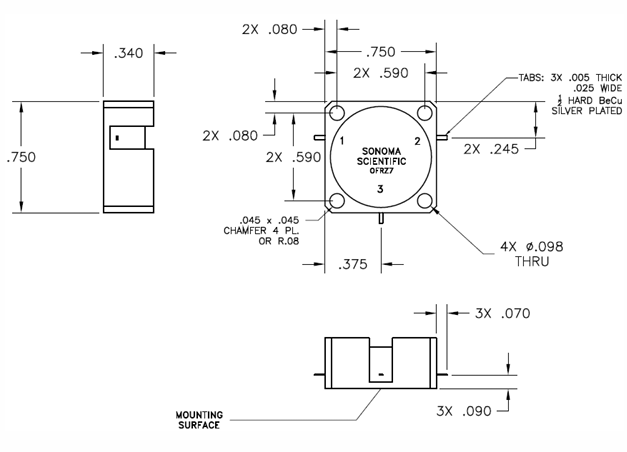
Sonoma ScientificC5ST2嵌入式環行器(5.8-8.4GHz)

電氣特性
頻率范圍:5.8 - 8.4 GHz(適用于無線通信、雷達等)
插入損耗:≤ 0.5 dB(信號損耗低)
隔離度:≥ 16 dB(端口間干擾小)
駐波比(VSWR):≤ 1.38:1(匹配良好)
功率處理:正向 50 W(平均),反向 30 W(平均)
工作溫度:-30°C 至 +85°C(寬溫適用)
旋轉方向:順時針
機械特性
尺寸:0.75" × 0.75" × 0.34"(英寸)
連接器:銅質 Tab 式
材質:鋼外殼(耐用)
表面處理:鍍鎳(防腐蝕)
適用場景:需要低損耗、高隔離度的射頻系統,如衛星通信、微波中繼等。
Sonoma Scientific是設計和制造射頻/微波鐵氧體隔離器和環行器的全球領導者,為醫療、軍事、公共安全、衛星和雷達應用領域的客戶提供服務。該公司提供從 40 MHz 到 50 GHz 的各種定制和現成解決方案。Sonoma Scientific以其高質量的微波組件而聞名,其射頻隔離器和環形器包括波導(Waveguide)、同軸(Coaxial)、混合(Hybrid)、插入式(Drop-Ins)和微帶線(Microstrip)等不同類型,深圳市立維創展科技有限公司,優勢代理銷售Sonoma產品,歡迎咨詢。
推薦資訊
Low Noise Factory(Quantum Microwave)的LNF-ISC4_8A和LNF-CIC4_8A是專為低溫物理實驗設計的4-8GHz超低溫隔離器/環形器,在5K時插入損耗僅0.17dB(77K時為0.2dB),具有22dB隔離度和匹配度,支持30dBm射頻功率和±50V直流電壓,工作溫度0.01K-100K(77K→5K時損耗降低0.07dB),SMA接口,尺寸22.35×24.64×10.16mm(不含連接器)。
C4080B 是 Focus Microwaves DELTA 系列的高頻晶圓測量機電調諧器,專為 8.0-40.0 GHz 高頻測試設計,具有低輪廓、輕量化(7磅)和小尺寸(13.925英寸)特點,支持直接探頭連接以減少插入損耗。其關鍵性能包括高駐波比(≥15:1)、20W 連續波功率、優異的重復性(典型-50dB),并采用革命性設計優化調諧范圍,適用于晶圓級負載牽引測試,助力射頻器件的精確阻抗調諧與性能評估。
在線留言