- 產品詳情
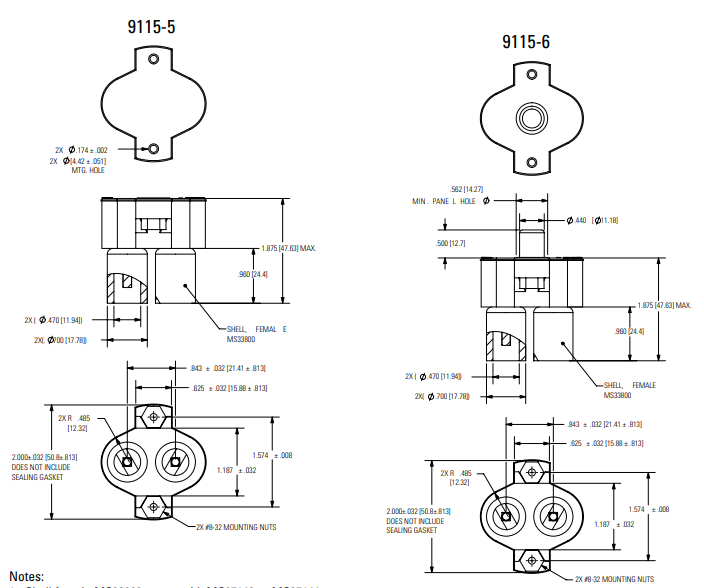
KLIXON? 9115系列斷路器是為滿足法規要求的高防水性能電氣系統而精心打造的,特別適用于條例車輛。該系列產品不僅推薦用于移動軍事裝備,也適用于廣泛的地面機械,如卡車、拖拉機、平地機、推土機、燃油設備,以及兩棲和商用車輛。9115系列斷路器不僅擁有完全密封的熱元件,其端子也采用模制工藝,并配備了橡膠連接器(外殼),確保了產品的耐用性和可靠性。
產品特點:
- 工作電壓:30VDC
- 電流范圍:15至30安培
- 密封設計,提供手動和自動復位功能
- 符合點火保護標準SAE J1171和CCC認證
- 9115-5型號符合CID A-A-55571/01規范
- 9115-6型號符合CID A-A-55571/02規范
- UL認證編號:E36869

訂購指南:
